Тема: Нужна консультация по датчику топлива.
Нужна консультация по датчику топлива.
- Просмотр профиля
- Сообщения форума
- Личное сообщение
- Записи в дневнике
- Просмотр статей
Знатный Перец Клуба VW Passat B5! Регистрация 19.02.2009 Адрес Россия, Санкт-Петербург Возраст 44 Сообщений 6,280
| Спасибо: |
- Просмотр профиля
- Сообщения форума
- Личное сообщение
- Записи в дневнике
- Просмотр статей
Lupo Регистрация 13.03.2010 Адрес Украина , Полтава Возраст 45 Сообщений 117
| Спасибо: |
- Просмотр профиля
- Сообщения форума
- Личное сообщение
- Записи в дневнике
- Просмотр статей
Знатный Перец Клуба VW Passat B5! Регистрация 19.02.2009 Адрес Россия, Санкт-Петербург Возраст 44 Сообщений 6,280
| Спасибо: |
Сообщение от Terrorist
- Просмотр профиля
- Сообщения форума
- Личное сообщение
- Записи в дневнике
- Просмотр статей
Lupo Регистрация 26.04.2009 Адрес Владикавказ Возраст 43 Сообщений 183
| Спасибо: |
Сообщение от rurky
Согласен, но при изменении обьёма топлива сопротивление датчика меняется, соответственно датчик работает.
— Добавлено чуть позже —
Сообщение от Terrorist
на втором есть чёткий минус, который идёт на приборную панель, он фиолетого чёрного цвета, а вот сколько должно быть на коричневом.
Не работает датчик уровня топлива
Если стрелка уровня топлива на приборной панели при включении зажигания не меняет свое положение, это еще не значит, что нужно вытаскивать из бака топливную секцию и менять измеритель. Вполне вероятно, что причина не в датчике, а в указателе или проводке. В статье рассмотрим принцип работы указателя и датчика уровня бензина/дизеля, их частые поломки и способы их устранения.
Принцип работы датчика поплавкового типа
Поплавок соединен с тягой, которая перемещает ползунок по резистивной дорожке, закрепленной на корпусе насосной секции. Изменение положения ползунка ведет к увеличению или уменьшению сопротивления резистора. На вход датчика подается опорное напряжение в 5 или 12 В. Сила тока на выходе прямо зависит от сопротивления резистора.
- износ резистивного слоя, образование налета, окислов между контактными пластинами. Из-за постоянного трения между ползунком и резистивным слоем в месте контакта токопроводящее покрытие стирается, из-за чего пропадает контакт. Также со временем ослабляется нажим подвижного контакта;
- искривление тяги, соединяющей поплавок с ползунком, Случается при неаккуратном извлечении колбы топливного насоса из бака. Указатель при этом будет работать, но уровень бензина в баке отобразит некорректно. Реже встречается трещина в корпусе поплавка, из-за чего последний наполняется топливом и стремится погрузиться в крайнее нижнее положение.
На карбюраторных моделях ВАЗ можно встретить ДУТ трубчатого типа. Принцип его работы также построен на изменении силы тока в цепи.
Сигнализатор критического уровня топлива
- Лампочка в приборной панели подключена через контакт на ДУТ. Один из контактов лампочки через предохранитель подключен к плюсовому выводу АКБ. С уменьшением уровня топлива ползунок датчика уровня замыкает второй контакт лампочки на массу.
- В баке устанавливается терморезистор, изменяющий свое сопротивление при изменении температуры. Терморезистор постоянно запитан от бортовой сети и погружен в топливо. При падении уровня бензина/дизеля чувствительный элемент перестает охлаждаться. Изменение силы тока – сигнал для зажигания контрольной лампы на панели приборов.
Электромагнитный УУТ
Принцип работы указателя основан на явлении электромагнитной индукции. В конструкции применены две катушки индуктивности. При прохождении тока по обмоткам катушек создаются два взаимно пересекающихся магнитных поля, которые воздействуют на якорек подвижной системы, поворачивая его вдоль магнитных силовых линий результирующего магнитного поля. Разница в силе тока на выводах катушек определяет угол отклонения стрелки указателя.
Описанный УУТ имеет большую погрешность и в современных комбинациях приборов больше не используется.
Указатель на основе бимметалической пластины
Стрелка указателя закреплена на одной оси с бимметалической пластиной. Пластина обмотана нагревательной нитью, на которую при включении зажигания подается ток. Сила тока зависит от напряжения на сигнальном проводе датчика уровня в баке. При нагреве бимметалическая пластина отклоняется в заданном направлении, перемещая при этом стрелку по шкале. Чем выше сила тока, тем выше температура нити и тем сильнее выгнута пластина. Именно таков принцип работы простейшего указателя уровня топлива, встречающегося на многих старых иномарках.
- перегорание нагревательной нити;
- неплотное прилегание нити к бимметалической пластине. Указатель при этом будет врать в сторону меньшего количества топлива.
Системы с функцией самодиагностики
На всех современных авто сигнал с ДУТ обрабатывается электронной микросхемой внутри приборной панели. Обработанный сигнал может быть трансформирован в силу тока для отклонения аналоговой стрелки либо пересчитан математически для отображения на графической шкале.
Значительно проще найти причину неработающего датчика уровня топлива на авто с приборной панелью, оснащенной функцией самодиагностики. При полном баке на сигнальном выводе ДУТ будет 4,5 В, а при минимальном – 0,5 В. Пол вольта у нижнего и верхнего уровней сигнала позволяют блоку управления регистрировать короткое замыкание на «+» и обрыв цепи. Факт обнаружения неисправности записывается в энергонезависимую память в виде кода и может быть считан через разъем OBD-II при помощи мультимарочного или специализированного сканера.
Проверка питающего напряжения
- Проверьте предохранитель. Взамен сгоревшей вставки допустима установка только предохранителя с рекомендованным заводом-изготовителем номиналом.
- Доберитесь до разъема топливной секции и найдите на нем контакты ДУТ. На большинстве авто доступ к технологическому отверстию открывается после откидывания сиденья для задних пассажиров.
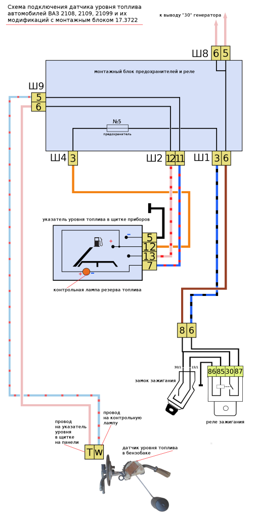
Для примера проверки питания возьмем схему подключения ДУТ на ВАЗ 2108, 2109, 21099.
На схеме мы видим, что с топливного бака к приборной панели уходит сигнальный провод ДУТ розового цвета. Напряжение на выводе при включенном зажигании должно изменяться в соответствии с уменьшением/увеличением уровня бензина в баке. Мультиметром в режиме измерения постоянного тока проверьте напряжение на контакте розового провода. Если таковое присутствует, проблема в датчике. Проверьте прижим ползунка, состояние резистивных дорожек, а также правильность подключения контактов.
Допустим, что напряжение на выводе есть, а стрелка не сдвинулась с места. В таком случае проверьте провод на предмет обрыва. Если обрыва нет, на разъеме приборной панели проверьте надежность минусового вывода на клемме №5, наличие «+» на клемме №12. Если все указанные пункты не вызвали у вас подозрения, скорее всего, проблема в окислах на контактах или перегоревших дорожках на плате.
Датчик уровня топлива (ДУТ). Сборка, схемы, производство
Приветствую уважаемых читателей! Несколько лет подряд я писал на тему нашего сервиса мониторинга автотранспорта, об оборудовании, которое производим, приоткрывая внутренние аспекты производства и работы в целом. В этой статье я хочу рассказать о полном цикле производства такого очень важного элемента работы систем GPS мониторинга и контроля, как датчик уровня топлива (поисковики его знают как ДУТ). Будет теория, все чертежи и схемы для сборки данного продукта. Кому интересно — читаем далее.
0. Вступление
Забегая вперед скажу, будет три статьи, в этой я расскажу о самом простом варианте определения уровня дизельного топлива (только дизельного, использование на бензиновой технике абсолютно запрещено, так как взрывоопасно). В следующих статьях, если конечно будет читателю интересно, рассмотрим цифровой датчик уровня топлива, а в самом конце я планирую выложить схему и прошивку устройства для мониторинга, которое описывал в данной статье.
1. Немного теории
Самые популярные датчики измерения уровня топлива представляет собой электрический конденсатор, состоящий из двух трубок помещенных друг в друга, устанавливаются резервуар с топливом, уровень которого измеряется. Дизель свободно проникает в пространство между трубками, сигналом изменения уровня топлива в резервуаре является изменение электрической ёмкости датчика.
При изменении уровня топлива в резервуаре изменяется относительная диэлектрическая проницаемость пространства между обкладками конденсатора, поскольку диэлектрическая проницаемость топлива и воздуха в общем случае различна. А так как емкость прямо пропорциональна диэлектрической проницаемости изолятора, то в результате изменяется и электрическая ёмкость датчика. Датчики в большинстве своем изготавливаются из алюминия или меди, потому что они меньше всего подвержены влиянию агрессивных сред. Из многих способов измерения значения емкости конденсатора и последующим преобразованием его емкости в пропорциональное изменение постоянного напряжения на выходе, был выбран широтно-импульсный способ, как достаточно простой и надежный, но при этом обеспечивающий необходимый уровень точности измерения. Сразу требуется оговорка, это самый простой в плане финансов и достаточно простой в плане сборки ДУТ метод определения уровня дизельного топлива.
2. Описание работы электрической схемы датчика уровня топлива
Рис 2. Принципиальная схема датчика уровня топлива (ДУТ) (большая схема тут)
В реальности это будет выглядеть примерно вот так:
График уровня топлива + скорость.
3. Чертеж датчика уровня топлива, материалы
РИС 3. Чертеж датчика уровня топлива (ссылка на большой чертеж)
Уже упоминалось, что используется в основном алюминий, как видно из чертежа, наружная трубка впаивается любым удобным способом в «голову» ДУТ. При производстве своих датчиков мы используем сварку, т.к. имеем к ней доступ, пусть не самый эстетически красивый вариант, но, надежен и проверен временем. Внутри используется алюминиевый стержень, для фиксации которого нарезается резьба в верней части. Втулки используются из специального фторопласта, который максимально толерантен к дизельному топливу.
4. Итог
На данном решении построены подавляющее большинство датчиков уровня топлива представленных на GPS рынке СНГ и мира. Каждый производитель вносит свои изменения для увеличения точности измерения уровня топлива, такие как акселерометр, температурные датчики, цифровая обработка сигнала и прочее. Представленная мною схема самая простая, готовая к работе, как говорится, в полях без каких либо сложностей. Уважаемый читатель с прямыми руками вполне может сделать любые доработки, которые можно использовать как для своих целей, так и для коммерческих нужд.
PS. Немного эротики про то как подобное добро устанавливается на технику можно посмотреть тут.




